Fehlt bei Dir eine Dichtungsmanschette am Verteilergetriebe- Wahlhebel?
Jetzt wo Du es sagst.... das könnte gut sein!
Wo sitzt diese Dichtung? Muss man viel demontieren für die Montage der Dichtung?
Gruss Thomas
Fehlt bei Dir eine Dichtungsmanschette am Verteilergetriebe- Wahlhebel?
Jetzt wo Du es sagst.... das könnte gut sein!
Wo sitzt diese Dichtung? Muss man viel demontieren für die Montage der Dichtung?
Gruss Thomas
Ich glaube aber eher, das der obere Faltenbalg sich bei einer Tiefwatübung gelöst hat und dadurch der Schlamm eingetreten ist.Oder er saß nicht richtig auf der Sicke am Mitteltunnel.
Oder die Jungs haben den Dreck mutwillig unter den Teppich gekehrt.
Da stellt sich wirklich die Frage ob Nadelfilz das richtige Material für den Teppich ist. Eine dickere Pu-beschichtung wäre vielleicht einfacher zu Reinigen.
Das Kabel kann man in ein Leerrohr legen und mit Schellen befestigen.
Moin,
vielleicht bleibt ja wirklich nichts anderes übrig als zum freundlichen MB Händler zu fahren und die TUELLE mit der A SNR A 460 997 07 81 A4609970781 für 3,94 EUR zu erwerben.
Oder die Jungs haben den Dreck mutwillig unter den Teppich gekehrt.
Das hatte ich mir auch schon gedacht.... egal, jetzt ist der Dreck weg!
Da stellt sich wirklich die Frage ob Nadelfilz das richtige Material für den Teppich ist. Eine dickere Pu-beschichtung wäre vielleicht einfacher zu Reinigen.
Ja, das stimmt schon.... mein Haupteinsatzgebiet für das Fahrzeug ist nicht das Durchqueren von Gewässern.... zumindest noch nicht! ![]()
Im Übrigen sah das eher nach einem Training in einem Schlammloch auf einem Übungsplatz aus, bei der Durchquerung eines kleinen Flusses bleibt nicht so viel Dreck und Schlamm zurück!
vielleicht bleibt ja wirklich nichts anderes übrig als zum freundlichen MB Händler zu fahren und die TUELLE mit der A SNR A 460 997 07 81 A4609970781 für 3,94 EUR zu erwerben.
Ah super.... vielen Dank! ![]()
Gruss Thomas
Hi,
ich habe leider keine CHF-Preise - sonst würde ich dies natürlich immer dazuschreiben.
Wenn Du den Mitteltunnel lackieren willst, dann müsstest Du das Kabel für die Beleuchtung der Schaltung irgendwie "verschwinden" lassen, das liegt mehr oder weniger lose unter der Abdeckung.
Hallo Thomas,
danke für die Info, ja, da Du einen Knopf hast, ist der Durchmesser recht egal, bei mir liegen ja zwei nebeneinander, das werde ich wohl die 40er bestellen (mir geht es um den Look, nicht die Originalität) und danke für den Hinweis mit dem Kabel, beim Wold ist da keine Beleuchtung, aber wohl das Kabel für den Rückfahrscheinwerfer, vielleicht einfach ein cooler schwarzer Kabelkanal auf dem Lack, mal sehen......
ich habe leider keine CHF-Preise - sonst würde ich dies natürlich immer dazuschreiben.
Das ist nun wirklich kein Problem.... danke für den Service! ![]()
danke für den Hinweis mit dem Kabel, beim Wolf ist da keine Beleuchtung....
Echt nicht, der Puch hat eine Beleuchtung für die Schaltanzeige.... wobei das Birnchen so schwach glimmt, man sieht‘s fast nicht. Dazu ist es mir gestern bei der Montage kaputt gegangen.... ich werd‘s gegen eine Deiner LEDs austauschen.
Gruss Thomas
Das Problem löst du nicht mit einer LEd. das liegt an dem verbauten Lichtleitband. LEd strahlen geradlienig und da brauch es was ungerichtet strahlt.
Aber man könnte da LED Leuchtfolie hinterlegen. Solange die Automatikanzeige nicht im Sichtfeld des Fahrers liegt ist das sowieso schrunz.
Die Lösung mit den innenliegenden Geberzylindern der Diff.Sperre hatte mal H.H. verlinkt. Da kann man dann sogar Hydrauliköl während der fahrt nachfüllen.
War für Wettbewerbsfahrzeuge.Bei Trialfahrzeugen hat man früher auch gerne mal jede Seite der Trommelbremse einzeln anbremsbar gestaltet.
Sowas wie manuelle ASR.
Hydrauliköl ?
Ist da nicht BF drin ?
Theoretisch kannst du da HLP 32 oder aber auch ATF reinmachen.Bremsflüssigkeit geht auch. Darf halt nur kein Gummi angreifen
Moin,
es gehören dort vom Hersteller vorgeschriebene Betriebsstoffe hinein. Diese sind aus gutem Grund auf die verbauten Materialien abgestimmt.
Bitte hört auf in weltweit öffentlichen Foren Falschinformationen zu verbreiten!
Ich habe im meiner aktiven Schrauberlaufbahn so manchen Schwachsinn erlebt und bin davon ausgegangen, daß es der Naivität der Täter zuzuschreiben war. Was hier gerade abläuft grenzt schon an fahrlässige Köperverletzung.
Dichtmanschette Verteilergetriebe-Karosse 460 284 0697 kostete in D im Jahre 2020: 23,42 €
Diese habe ich an meinem VTG Wahlhebel des G 290 verbaut.
Das ist aber nicht die große Manschette am Wahlhebel zum Getrtiebe, sondern ein Extra- Teil was dort rübergestülpt und dann am Falz der Karosse mit drüber kommt.
Hier auf dem Bild siehst Du das bei mir ringsherum gerissene Teil.
Bestelle bitte immer mit Bezug auf Deine FIN- ich habe ein anderes Modell. Auch wenn es "ähnlich" aussieht....
Hi,
ja gerne schaue ich nach was passt: wenn ich denn die Unterlagen zum Fahrzeug bekomme.
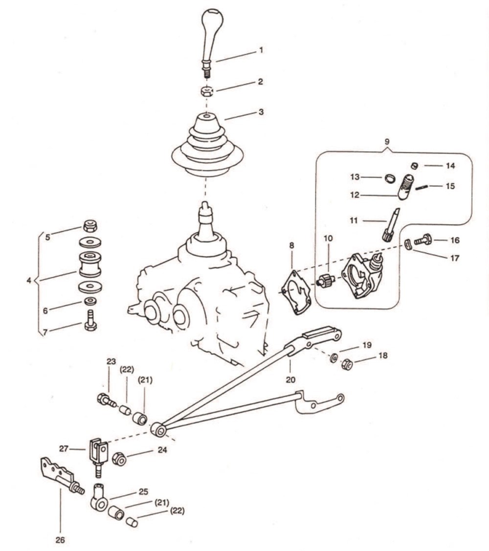
Du meinst bestimmt das Teil mit Nummer 3 in der Abbildung ...4602840997 bei puch.at kostet das 32 EUR.

24,25 EUR beim freundlichen Händler.
Und hier der link zu den Details an einem 290er.
https://mercedes.7zap.com/de/eu/fg/suv/2…8/0/015/0/0/#86
die Manschette ist dort Teil 86 mit der Teilenummer 460 284 06 97(von mir gekauft in 2020) oder 460 284 09 97 (auch dort angegeben)
Und wie schon geschrieben- am 290er ist jetzt wieder alles dicht.
Ob dieses Teil an Deinem Fzg. verbaut ist oder sinnvoll ergänzt werden kann...….FIN
Moin,
Der Vorratsbehälter ist im Motorraum - steht aber auch in der TDv oder im Truppenhandwerker-Buch
Die Seiten habe ich nun nicht im Kopf.
Die entlüfterschraube ist wie bei den Bremsen hinten oder Vorn am Nehmerzylinder. Wie Jottka schon richtig bemerkt hat kommt da Bremsflüssigkeit rein.
Du nimmst die gleiche wie bei den Bremsen. Also Dot 4 ohne Plus oder Minus. Nicht alle Bremsflüssigkeiten sind mischbar.
Wenn du Pech hast, dann ist entweder der Geber oder der Nehmerzylinder undicht oder eine Anschluss oder eine Leitung.
Oft ist auch die Dichttülle am Geberzylinder hart und somit undicht. Es gibt auch defekte F-Verbinder mit Riss. da kann er auch Luft ziehen.
Aber never change a running System. Machs erstmal mit entlüften.
Wenn an deinem 2 Sperren verbaut sind, dann hast du zwei Zylinder,2 Federn und besagten F-Verbinder .
Sie haben noch kein Benutzerkonto auf unserer Seite? Registrieren Sie sich kostenlos und nehmen Sie an unserer Community teil!